
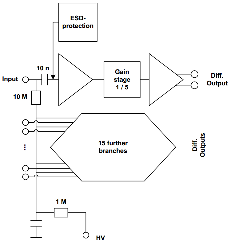
mesytec MPR-LOG series provides a new type of multichannel preamplifier modules which are specially designed for applications where very fast recovery from large signals and precise spectroscopy of very small signals is required. They will usually be used for silicon strip detector readout. A typical application is decay spectroscopy after implantation of a heavy ion into a silicon detector. The MPR series can best be combined with the mesytec MSCF-16 shaping-/timing filter / discriminator module.

